Prihlásenie
Stratili ste heslo?

KARDANKA PARTNER PROFESIONÁLOV +420 491 114 383, +420 734 644 355 info@kardanka.sk

príruba hydraul. čerpadlo / elektromotor, veľkosť 80-90...

príruba hydraul. čerpadlo / elektromotor, veľkosť 80-90...
Výrobca:
Katalógové číslo: 09215
EAN: 8023453092158
Obrázek k výrobku 16235 - příruba hydraul. čerpadlo/elektromotor, velikost 80-90
Klikni pre zobrazenie väčšieho obrázku
foto celé sestavy
foto celé sestavy
Obrázek k výrobku 16235 - Příruba hydraul. čerpadlo GR1/elektromotor, velikost 80-90
viac info...
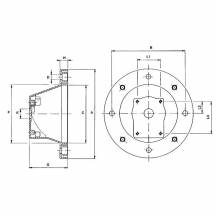
určené pre čerpadla GR 1
rozmer A 200
Rozměr B 165
Rozměr C 130
Rozměr D 11
Rozměr E 25,4
Predpokladaný dátum naskladnenia: 18.05.2026
Skladom v expedícii4 ks Odosielame / na vyzdvihnutie: Streda 22.04.2026
23,87 €s DPH/ ks
23.87
ks

Slúži na spojenie hydraulického čerpadla s elektromotorom veľkosť 80-90. Výkon elektromotora 80- 0,75-1Hp, 90- 1,5-12Hp. Spojka na prepojenie vnútri príruby má objednávacie číslo 09216.

Vlastnosti produktu

Obrázek k výrobku 22510 - Příruba hydraul. čerpadlo GR1/elektromotor, velikost 80-90
Vlastnosť Hodnota
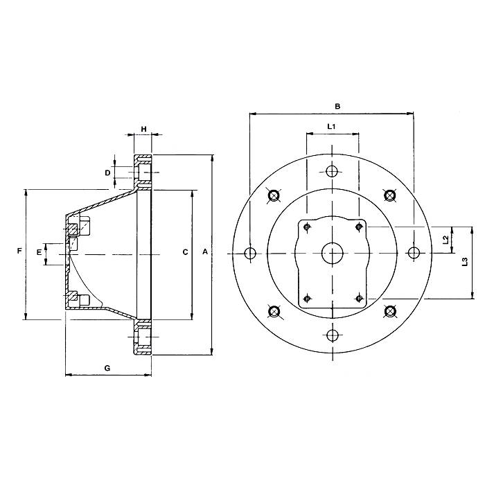
určené pre čerpadla GR 1
rozmer A 200 mm
Rozměr B 165 mm
Rozměr C 130 mm
Rozměr D 11 mm
Rozměr E 25,4 mm
Rozměr F 135 mm
Rozměr G 95 mm
Rozměr H 16 mm
Rozměr L1 52 mm
Rozměr L2 26,2 mm
Rozměr L3 72 mm

Súvisiace výrobky

Spojka Ø25,40mm gr.2 1: 873,62 € / ks
Spojka Ø25 mm gr.2 1: 870,49 € / ks
elastický člen pre 02489, 024923,88 € / ks
Pre vytvorenie strážneho psa sa musíte prihlásiť.

príruba hydraul. čerpadlo / elektromotor, veľkosť 80-90...

Jaroslav Kundráč
phone734644355

Porovnanie výrobkov

Porovnať

Zasielať novinky

Prohlédnout předchozí čísla

Chcete od nás dostávať novinky a akčné ponuky? ... Potom neváhajte zaregistrovať Vašu e-mailovú adresu a potvrdiť.

Informácie o spracovaní osobných údajov (GDPR).

Odhlásenie z odberu

Kontakt

CS Technika s.r.o.
Krkonošská 2912
544 01, Dvůr Králové nad Labem

Telefon: +420 491 114 383
Mobil: +420 734 644 335
E-mail: info@kardanka.sk
Web: www.kardanka.sk

Výhody nákupu u nás

Patríme medzi najväčších predajcov dielov na techniku dílů na zemědělskou techniku.

Máme vlastné bohaté skúsenosti s predávanými výrobkami.

Kvalitní zázemí a tým vyškolených pracovníků.

Možnosť vrátenia tovaru do 14 dní samozrejmosťou.

Naposledy prezeraný tovar

Nemáte doposiaľ žiadne navštívené produkty.